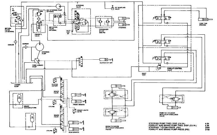
Raymond 7300 Reach-Fork Truck Hydraulic Schematic Bob McMahon May 31, 2024 11:34 Updated Please see the schematic of the hydraulic system below. You can also download a pdf below of the product manual. Johston G-Series Manual.pdf 9 MB Download Comments 0 comments Please sign in to leave a comment.
Comments
0 comments
Please sign in to leave a comment.